瀝青橢圓齒輪流量計
點擊次數:2654 發布時間:2020-11-06 03:11:12
瀝青橢圓齒輪流量計概述
橢圓齒輪流量計是用于管道中液體流量連續或間斷測量和控制的容積式計量儀表。它具有量 程范圍大、準確度高、壓力損失小、粘度適應性強、能測量高溫高粘液體、標定方便、安裝建議等 諸多優點。適用于石油、化工、化纖、交通、商貿、食品、醫藥衛生等部門的流量計量。
LC 系列橢圓齒輪流量計裝有指針和字輪累積裝置,可現場直接顯示流經管道內的液體流量和 瞬時流量。在計數機構中附加發訊裝置與電顯儀表配套可實現累積、定量和瞬時流量遠傳集中控制。 加裝散熱器或橢輪欠齒可測量高溫、高粘液體。
不同的液體(酸、堿、鹽、有機溶液等)流量計主體可選擇不同的材質制造。

瀝青橢圓齒輪流量計結構與工作原理
橢圓齒輪流量計由流量變送器和計數機構組成。變送器與計數機構之間加裝散熱器,則構成高 溫型流量計。送變器由裝有一對橢圓齒輪轉子的計量室和密封聯軸器組成,計數機構則包含減速機 構、調節機構、計數器、發訊器。

計量室內由一對橢圓齒輪與蓋板構成初月形空腔作為流量的計量單位。橢圓齒輪靠流量計進出 口壓力差推動而旋轉,從而不斷地將液體經初月形空腔計量后送到出口處,每轉流過的液體是初月 形空腔的四倍,由密封聯軸器將橢圓齒輪轉的總數以及旋轉的快慢傳遞給計數機構或發訊器,便可 知道通過管道中液體總量和瞬時流量。

1.各種計數器功能及代號

2.型號及主要零件材質

*如有特殊需要請另行注明
瀝青橢圓齒輪流量計性能(誤差與壓力損失曲線)

解釋:1 圖中各種不同液體可用精度調節裝置將流量計誤差調整在 0 軸上下,使誤差達*佳值。
2 任何液體縮少流量量程比情況下,用精度調節裝置可提高流量計精度。
瀝青橢圓齒輪流量計技術參數
4.1 鑄鐵型、鑄鋼型、不銹鋼型橢圓齒輪流量計

4.2 高粘型橢圓齒輪流量計

4.3 高精度橢圓齒輪流量計

LC-13 型橢圓齒輪流量計
LC-13 型橢圓齒輪流量變送器式由本體與發信器組成,可將管道內液體流量轉換為流量脈沖 信號或模擬量信號輸出,可與我廠顯示儀表,或與其它二次儀表和系統配套,用于遠距離計量顯示, 自動控制調節,記錄的需要。
5.1 技術性能
1) 適合與所有鑄鐵,鑄鋼,不銹鋼流量變送器配套.
2) 發信裝置:QF 型,GF 光電型
3) 允許工作電壓:DC12V
4) 管道連接法蘭:JB/T79~82—1994
5) 傳輸距離:1KM
6) 電性能精度:±1 個脈沖
7) 使用環境溫度:-10~+60℃

規格及發訊參數

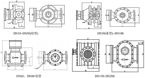
瀝青橢圓齒輪流量計外形尺寸
8.1 鑄鐵型橢圓齒輪流量計外形尺寸
型號:LC—A、LC—NA


8.2 鑄鋼型外形尺寸
型號:LC—E、LC—NE、 (外形同上)

*DN10/DN50(輕型)/DN65/DN80(輕型)法蘭尺寸為 1.6MPa 標準;其余口徑為 6.4MPa 標準;
8.3 LC—B 型不銹鋼橢圓齒輪流量計外形尺寸(單位:mm)

*高溫型橢圓齒輪流量計外形尺寸:DN15~DN50(輕型),B 尺寸按上表數據加 100mm 熱延伸管;DN50 (重型)~DN200,B 尺寸按上表尺寸加160mm 熱延伸管,其余尺寸同上表相應尺寸。
瀝青橢圓齒輪流量計的安裝使用
9.1 流量計前應安裝配套過濾器,且配套過濾器的出口緊接流量計的入口,兩者本體上箭頭指向 與液體流向一致。
9.2 當被測液體含有氣體時,流量計前應安裝消氣過濾器。
9.3 不論管路是垂直還是水平安裝,但流量計中的橢圓齒輪應安裝成水平位置(即表度盤應與地 面垂直)。
9.4 流量計在正確安裝情況下,如果不易看清讀數,可把計數器轉向 180 度或 90 度均可。
9.5 新流量計在安裝前先用竹棍從出口處把橢圓齒輪推幾次,如發現不動,可以用柴油浸泡(避免 出廠校驗后內存沉淀物)。
9.6 流量控制閥應安裝在流量計進口處,開閉閥門裝在出口處,使用開閉閥時緩慢啟動,不要突 然開啟以防“水擊”現象。
9.7 在新管道上安裝流量計前,管道需要沖洗,沖洗時采用直管段(替代流量計位置)防止焊渣, 雜物等進入流量計。
9.8 嚴禁用水校驗鑄鐵、鑄鋼材質的流量計。
9.9 流量計在使用時流量大小不得超過技術要求.流量計工作在*大流量 50—80%為優。
9.0 被測液體如果具有化學腐蝕性,須選用不銹鋼材質的流量計。
訂貨須知
1. 名稱,型號,規格,材質。
2. 介質溫度,工作壓力,流量范圍。
3. 介質粘度或名稱。
4. 有無特殊要求,如防爆。
5. 訂貨及收貨單位名稱。
6. 詳細通訊地址,電話傳真,郵編。
7. 結算單位,開戶銀行,帳號。
8. 到達站名,聯系人。
9. 您需詳細了解相關產品,請來信索取資料。
10. 本廠產品實行三包一年,使用期跟蹤維修。
型號標識

上一篇:氣體流量計怎么讀數及參數設置
下一篇:瀝青流量計的安裝


