橢圓齒輪流量計的分類應用及外形尺寸
點擊次數:1989 發布時間:2023-04-24 08:51:59
橢圓齒輪流量計是容積式流量計的一種,特別適合于重油、聚乙烯醇、樹脂等粘度較高介質的流量測量,所以橢圓齒輪流量計一般也稱油表。橢圓齒輪流量計為純機械原理流量計,本安型適用各種危險場合,就地顯示和脈沖發迅器遠傳輸出功能,
橢圓齒輪流量計從材質上分為三種
LC-A鑄鐵的,用于各種油品及對鑄鐵不腐蝕液體介質的計量。
LC-E鑄鋼的,用于高壓、低腐蝕性介質的計量。
LC-B不銹鋼的,用于有較強腐蝕性液體介質,如酸、堿、鹽及有機化合物等的計量。
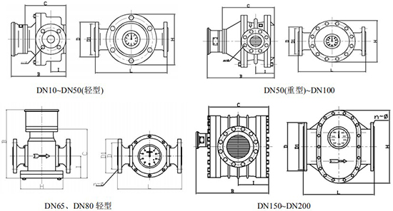
外形尺寸
1 鑄鐵型橢圓齒輪流量計外形尺寸
型號:LC—A、LC—NA


2 鑄鋼型外形尺寸
型號:LC—E、LC—NE、 (外形同上)

*DN10/DN50(輕型)/DN65/DN80(輕型)法蘭尺寸為 1.6MPa 標準;其余口徑為 6.4MPa 標準;
3 LC—B 型不銹鋼橢圓齒輪流量計外形尺寸(單位:mm)

*高溫型橢圓齒輪流量計外形尺寸:DN15~DN50(輕型),B 尺寸按上表數據加 100mm 熱延伸管;DN50 (重型)~DN200,B 尺寸按上表尺寸加160mm 熱延伸管,其余尺寸同上表相應尺寸。
上一篇:橢圓齒輪流量計對粘度要求
下一篇:橢圓齒輪流量計的性能特點


